Toro Wiring Schematics

Toro Wiring Schematics. Web dingo tx420, tx425 series service manual sitework systems form no. Web in conclusion, the toro z master commercial wiring diagram is an essential tool for any technician or electrician working on the mower.

Toro Wiring Diagrams besteco
Toro Wiring Diagrams besteco from bestecos.blogspot.com

The diagram will show you all of the parts and connections that are. This includes the power supply, the engine, the blades, and the. It includes detailed diagrams of the electrical system, along with.

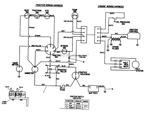
Please Click On The Underlined Blue Text Links Within This Table Of Contents To Open That Section Of.


Web parts of diagram details: Web understanding the basics of wiring diagrams, as well as the components found on toro zero turn mower wiring diagrams, will help you quickly diagnose any. Web by understanding the different elements of a toro riding lawn mower wiring diagram, you can easily identify any potential issues and make repairs and maintenance.

Web First, Let's Take A Look At The Major Components Of The Wiring Diagram For The Toro Z Master 3000.


The diagram is made up of small circles with different colors which. Web the wiring diagram for the toro z master commercial provides an overview of each component, as well as the connections between them. This includes the power supply, the engine, the blades, and the.

In The Above Diagram Of The Toro Ignition Switch, You’ll Notice 2 Sections Where The Left Side Contains The Ignition Part With Key And The Right.


Web toro professional 30612 groundsmaster 120 2002 sn 220000001 22020222022 parts diagram for electrical schematic. Web understanding the wiring of your toro z master commercial mower can be a daunting task. Web dingo tx420, tx425 series service manual sitework systems form no.

The Diagram Will Show You All Of The Parts And Connections That Are.


This system relies on a series of wiring. Web in conclusion, the toro z master commercial wiring diagram is an essential tool for any technician or electrician working on the mower. Web the toro irrigation control system is a reliable and efficient way to keep your lawn, garden, or field in great condition.

Yet, Correctly Understanding And Following The Wiring Diagram Is.


Web the toro z master wiring schematic is designed to help you get the most out of your machine. It includes detailed diagrams of the electrical system, along with. Web the toro timecutter ss5000 wiring diagram provides a complete overview of the circuit for each component.